Для мощных двигателей применяются комплектные преобразователи частоты - законченые устройства с установленными частотными преобразователями, системой защиты, сопутствующим оборудованием, опционально системой управления и системой микроклимата. Мы имеем возможность сборки комплектных устройств мощностью до 400 кВт. Шкафы выполнены на базе стандартных каркасных шкафов Rittal TS8 со степенью защиты IP 54, IP 65, которые позволяют размещать большие массы оборудования. Питание разводится шинопроводами или кабельная разводка. По функционалу комплектный частотный электропривод способен решать как отдельные задачи, так и задачи в составе АСУТП.
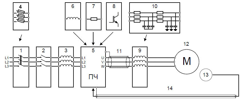
Шкафы собираются по стандартной схеме, приведенной ниже.

В шкафу применяется:
Коммутационная и защитная аппаратура: 1 – автоматический выключатель. Возможна замена на сетевой предохранитель - 4. 2 – главный пускатель (опция).
Устройства для уменьшения гармонических составляющих тока: 3 – входной сетевой дроссель – сводит к минимуму вероятность возникновения всевозможных сбоев в работе оборудования, вызываемых нестабильностью питающей сети, а также ограничивает броски тока. Рекомендуется устанавливать, если мощность питающей сети в десятки раз превышает мощность ЧП или при наличии в питающей сети помех от более мощных устройств. Использование сетевого дросселя цепи переменного тока существенно влияет на форму потребляемого преобразователем тока и значительно приближает его к синусоидальной, существенно ослабляет броски напряжения в сети при включении или выключении крупных потребителей. 6 – дроссель постоянного тока – уменьшает гармонические составляющие тока - более дешевый способ.
Силовое устройство: 5 – преобразователь частоты или устройство плавного пуска.
Устройства сброса энергии: 7 – тормозной резистор – обеспечивает работу преобразователя частоты при торможении до полной остановки или во время снижения скорости путем рассеивания энергии торможения со звена постоянного тока, обеспечивает максимальный переходный тормозной момент. Применяется в механизмах с большим моментом инерции, с циклическим режимом работы пуск-торможение. 8 – модуль торможения – применяется при отсутствии в ПЧ встроенного тормозного ключа, обычно после 30 кВт.
Выходные сглаживающие устройства: 9 – выходной (моторный) дроссель – применяется для частичного подавления гармоник (гармонических составляющих токов) высших порядков со стороны двигателя (на выходе ЧП). Рекомендуется использовать при большом удалении двигателя от ПЧ (до 100 метров). 10 – синусный фильтр – обеспечивает работу преобразователя при большой длине кабеля двигателя (до 1000 метров).
Кабельная продукция: 11 – моторный кабель – предназначены для силового подключения в составе частотно регулируемого привода, рекомендуется применение экранированного кабеля либо его отдельная прокладка в металлическом экране. 14 – Контрольный кабель – предназначен для подключения датчиков обратной связи к преобразователю частоты или другому измерительному устройству.
Электродвигатель: 12 – Двигатель.
Датчик: 13 - Датчик обратной связи (инкрементальный энкодер, датчик давления)
По функционалу подобные шкафы могут решать абсолютно разные задачи:
Насосная станция I подъема, когда вода забирается прямо из источника (река, озеро, водохранилище). Особенность подобных применений в том, что вода подается на насос без подпора, часто бывает, что уровень расположения насоса выше уровня воды в источнике. При таких особенностях пуск насоса производится после заполнения полостей насоса водой с помощью дополнительного вакуумного насоса на закрытую задвижку. Пуск насоса производится на закрытую задвижку, после того как насос нагнетает минимально необходимое давление, задвижка открывается, скорость открытия не должна быть больше предельной, при которой может произойти сброс воды насосом и возникнет явление кавитации. Заполнение пустой трубы целесообразнее делать при пониженных оборотах насоса во избежание гидроудара. Когда труба заполнена, насос можно переводить в режим поддержания давления. Датчики давления в таких случаях следует применять с разделительной мембраной для защиты от грязной среды.
Мы можем реализовать функционал шкафа, позволяющий полностью реализовать автоматический режим пуска подобных насосных агрегатов, описанный выше.
Канализационные насосные станции (КНС) предназначены для перекачки сточных вод к месту очистки. Сточные воды из сети поступают в приемный резервуар КНС, далее подаются насосами в напорные водоводы и по ним поступают на очистные сооружения. Применение станций управления с частотными преобразователями целесообразно в тех случаях когда:
- объем приемных резервуаров канализационных и иных насосных станций не превышает объема 5 – 10 минутной подачи наиболее крупного насоса
- диапазон колебания притока достаточно большой (не менее 15 – 20% максимальной подачи)
В таких случаях применение частотного преобразователя позволяет оптимизировать количество включений и отключений и тем самым выйти на энергоэффективный режим работы.
